

Project Summary:
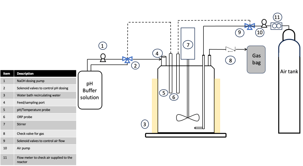
This project investigates how micro-aeration, the controlled introduction of trace amounts of oxygen into anaerobic digesters, can improve the stability of digestion of organic wastes. Using an ORP-controlled reactor system, we simulate micro-aerobic conditions and examine their effects on volatile fatty acid (VFA) accumulation, microbial activity, and overall process resilience under high organic loading rates. Special focus is placed on the role of facultative bacteria that utilize cytochrome bd oxidase, an enzyme with a high affinity for oxygen that enables respiration at extremely low oxygen concentrations. While these bacteria coexist within primarily anaerobic communities, their contribution to VFA conversion and system stabilization under trace oxygen conditions remains poorly understood. This study aims to clarify how low-level oxygenation can be strategically applied to support microbial interactions that enhance the performance and robustness of waste treatment systems.
Principal Investigators: Lutgarde Raskin and Steven Skerlos
PhD Student lead: Renisha Karki
Masters and Undergraduate Students: Celtica Jimenez and Tushaar Kapoor
Relevant Publications and Patents:
Jimenez, B., Karki, R., Skerlos, S., Raskin, L. (2024) “Benefits of the implementation of micro-aeration to improve anaerobic digestion performance” [Poster]. Summer Undergraduate Research in Engineering (SURE) 2024, University of Michigan, Ann Arbor, MI, United States.
Kapoor, T., Karki, R., Skerlos, S., Raskin, L. (2025) “Optimizing anaerobic digestion through through micro-aeration: An ORP-based assessment” [Poster]. Summer Undergraduate Research in Engineering (SURE) 2025, University of Michigan, Ann Arbor, MI, United States.
Funding Source:
Department of Energy/ Energy Efficiency and Renewable Energy/ Industrial Efficiency and Decarbonization Office
Additional Project Images:

